SKU: GRSBM30/19_PAIR
SBM30/19 Metric En8 Steel Mitre Gear (Set of 2) 19 Tooth 3.0 MOD 20 Deg Pressure Angle
- Regular price
- €66,33 ex VAT
- Sale price
- €66,33
- Regular price
-
ex VAT
Quantity Price Breaks
Description
Metric Steel Mitre Gears: Mitre gears are part of the category of gears that generally feature 90-degree rotating intersecting axes. They are a type of Bevel Gear with a ratio of 1:1 and work in pairs. They are also available in spiral and angular versions. Mitre Gears are paired together and used to change the direction of power transmission. Unlike Bevel Gears a pair of Mitre Gears, with their identical number of teeth on each gear, do not allow any increase or decrease in speed. Mitre Gears are used in a wide range of applications where a change in rotation direction is required, but a change in speed is not.
Lubrication: In most cases standard lubrication by oils or greases is acceptable, gears potentially subject to severe weather or chemical exposure should have their lubrication and protection selected specifically for that application. eg: waterproof grease etc.
Material: EN8 Steel - a medium strength steel with good tensile strength manufactured to DIN standards. It can be hardened and is readily machineable in any state.
- DIN 3964, DIN 3967, DIN 3971
- Standard tolerances, unless otherwise stated ±0.25 mm
- Shaft axis to intersect within ±0.025mm
- Angular accuracy between shafts ±5mins
- Mounting distance tolerance ±0.05mm
- Bore tolerance H8
- Cut to the Gleason System
- 20° pressure angle
- Supplied in pairs
- All dimensions in mm
- Steel EN8, (080M40/080M46) or equivalent 1:1 Ratio
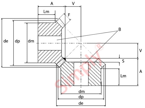
Technical
| Pitch Module | = | 3.0 |
| No. Teeth | = | 19 |
| dp | = | 57mm |
| A+V | = | 54mm |
| dm | = | 40.3mm |
| Bore (H8) | = | 14mm |
| F | = | 13mm |
| A | = | 36mm |
| de | = | 61.2mm |
| Lm | = | 17mm |
| S | = | 0mm |
Downloads
Reviews